3 Speed Ceiling Fan Wiring / Installing Ceiling Fan Switches / Wiring diagram for dual switch ceiling fan 4 answers .

Info Populer 2022

3 Speed Ceiling Fan Wiring / Installing Ceiling Fan Switches / Wiring diagram for dual switch ceiling fan 4 answers .

3 Speed Ceiling Fan Wiring       / Installing Ceiling Fan Switches / Wiring diagram for dual switch ceiling fan  4 answers .
3 Speed Ceiling Fan Wiring       / Installing Ceiling Fan Switches / Wiring diagram for dual switch ceiling fan  4 answers .

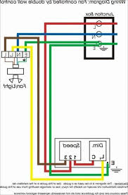
3 Speed Ceiling Fan Wiring / Installing Ceiling Fan Switches / Wiring diagram for dual switch ceiling fan 4 answers .. Wiring the fan to a variable speed control switch lets you make fine adjustments to the fan's speed. Am trying to attach a light but there is no power in the wire. Wiring diagram for dual switch ceiling fan 4 answers . They are a convenient and attractive addition to a home. It reveals the parts of the circuit as streamlined forms as well as the power as well as signal links between the gadgets.

Am trying to attach a light but there is no power in the wire. How to wire and install a hampton bay ceiling fan duration. 3 speed 4 hole ceiling fan switch with black wire in terminal l and labeled l 1 2 3 counterclockwise zing ear ze 268s1 rating. Ceiling fans and light kits, dimmer switches, fan speed controllers, 3 way fan switches, and bathroom exhaust fan circuits. The clipsal 2031vf3c and 31vf3c series ceiling sweep fan controllers have overcome the problems associated with choke.

Re Wiring Welltec 108 Pull Chain Ceiling Fan Speed Switch Doityourself Com Community Forums
Re Wiring Welltec 108 Pull Chain Ceiling Fan Speed Switch Doityourself Com Community Forums from www.doityourself.com
3 speed ceiling fan switch wiring diagram electrical is there a way to diagnose ceiling fan 3 speed switch. When you use your finger or perhaps stick to the circuit together with your eyes, it's easy to mistrace the. It reveals the parts of the circuit as streamlined forms as well as the power as well as signal links between the gadgets. If you are looking for something that shows you exactly where the wires go, this isn't it. Tools needed for wiring a ceiling fan. As you do, make sure the wire connectors and electrical tape stay secure and no. This switch is wired to the speed control capacitor module. Carefully push the wires coming from the ceiling back into the fan box to secure them.

The clipsal 2031vf3c and 31vf3c series ceiling sweep fan controllers have overcome the problems associated with choke.

We all know that reading ceiling fan 3 speed switch wiring diagram is useful, because we are able to get a lot of information from your resources. Gm 1 wire alternator wiring diagram. The black is the line, grey goes to the reversing switch, purple and brown. Tools needed for wiring a ceiling fan. A fan speed control switch makes it easy to adjust the speed at which a fan spins. I have an airmak am207 ceiling fan. .3 speed inside wires from 3 speed ceiling fan switch wiring diagram , source:autoctono.me security camera wiring diagram for 4 wire ceiling fan nowadays we're excited to announce that we have discovered an awfullyinteresting nicheto be reviewed, that is (3 speed ceiling fan switch. Ceiling fan wire colors may be slightly different than your household circuit wires. 3 speed fan switch wiring diagram new ceiling wall adorable. The original fan was controlled by a smart switch with a dimmer for the light and a relay for the fan. 3 speed 4 hole ceiling fan switch with black wire in terminal l and labeled l 1 2 3 counterclockwise zing ear ze 268s1 rating. As you do, make sure the wire connectors and electrical tape stay secure and no. My wife asked me to replace a ceiling fan in our basement.

Ceiling fan wire colors may be slightly different than your household circuit wires. We all know that reading ceiling fan 3 speed switch wiring diagram is useful, because we are able to get a lot of information from your resources. Anything i found on line did not have the same color wires that were in our fan. This is true of most hunter and. A three position pull switch which selects the fan speed.

3 Speed Ceiling Fan Wiring Diagram
3 Speed Ceiling Fan Wiring Diagram from i0.wp.com
I am replacing the old switch and got the wires mixed up. 3 speed 4 hole ceiling fan switch with black wire in terminal l and labeled l 1 2 3 counterclockwise zing ear ze 268s1 rating. After installing the new switch, the fan wouldn't turn. The clipsal 2031vf3c and 31vf3c series ceiling sweep fan controllers have overcome the problems associated with choke. This switch is wired to the speed control capacitor module. The original fan was controlled by a smart switch with a dimmer for the light and a relay for the fan. Wiring diagram for dual switch ceiling fan 4 answers . Ceiling fan wire colors may be slightly different than your household circuit wires.

A set of wiring diagrams may be required by the electrical inspection authority to take up association of the dwelling to the public electrical supply system.

Wiring a ceiling fan with four wires is the most common, however, an additional color. Right now, the wall switch only controls the light (on/off, no dimmer). Wiring diagrams will afterward augment panel. 3 speed 4 hole ceiling fan switch with black wire in terminal l and labeled l 1 2 3 counterclockwise zing ear ze 268s1 rating. Ceiling fan switch on my ceiling fan. A wiring diagram is a type of schematic which utilizes abstract photographic icons to reveal all the interconnections of elements in a system. Ceiling fans come in all shapes, sizes and designs; The original fan was controlled by a smart switch with a dimmer for the light and a relay for the fan. Its 3 speed pull chain fan. Ceiling fans and light kits, dimmer switches, fan speed controllers, 3 way fan switches, and bathroom exhaust fan circuits. A three position pull switch which selects the fan speed. The clipsal 2031vf3c and 31vf3c series ceiling sweep fan controllers have overcome the problems associated with choke. Carefully push the wires coming from the ceiling back into the fan box to secure them.

Am trying to attach a light but there is no power in the wire. Tools needed for wiring a ceiling fan. The original fan was controlled by a smart switch with a dimmer for the light and a relay for the fan. I am replacing the old switch and got the wires mixed up. I wired it up according to the directions.

3 Speed Ceiling Fan Motor Wiring Diagram Novocom Top
3 Speed Ceiling Fan Motor Wiring Diagram Novocom Top from i0.wp.com
3 speed fan switch wiring diagram new ceiling wall adorable. Ceiling fan wire diagram enter image description here wiring diagram for ceiling fan with light uk â€" mirotdelki.info. It has a 3 way switch with 4 wires. Ceiling fan wire colors may be slightly different than your household circuit wires. The black is the line, grey goes to the reversing switch, purple and brown. I have a switch box with power coming from an outlet the fan would wobble on high speed so i picked up one of those boxes with adjustable side feet that. Always place wire caps over unused wires. 3 speed ceiling switch wiring diagram rate home light for hampton.

I have a switch box with power coming from an outlet the fan would wobble on high speed so i picked up one of those boxes with adjustable side feet that.

Ceiling fans and light kits, dimmer switches, fan speed controllers, 3 way fan switches, and bathroom exhaust fan circuits. Ceiling fan speed switch repair. The new ceiling fan motor capacitor is wired to the fan by: This is true of most hunter and. Ceiling fan switch on my ceiling fan. The chain had broken off inside the switch. This page contains wiring diagrams for household fans including: If you are looking for something that shows you exactly where the wires go, this isn't it. Ceiling fan wire diagram enter image description here wiring diagram for ceiling fan with light uk â€" mirotdelki.info. After installing the new switch, the fan wouldn't turn. With the below wiring diagrams you can install 90 of ceiling fans no matter the make or hampton bay ceiling fan speed switch replacement not working out. Ceiling fans come in all shapes, sizes and designs; Wiring diagram for dual switch ceiling fan 4 answers .

Advertisement

Iklan Sidebar